Hogyan készítsd el saját számítógépedet, 2. rész: Összeállítás

Dec 12, 2024
Hardver

Tehát kiválasztotta az alkatrészeit , kétszer és háromszor ellenőrizte kompatibilitását, és megvárta a gazdaságos szállítást, hogy mindannyian az ajtóhoz jussanak. Itt az ideje, hogy eljussunk a szórakoztató részhez: mindet összeállítjuk.

Mielőtt elkezdené, érdemes kialakítania egy jó munkaterületet. Szerezzen be egyfajta asztalt, rengeteg helyiséggel és fénnyel, lehetőleg valahol, ahol nincs szőnyeg. Szükséged lesz egy kis időre: pár órára, talán többre is, ha ez az első alkalom, vagy ha sok extrád van.

A szükséges eszközök

Az összeszereléshez csak egy Philips-fejű csavarhúzóra van szüksége. Egy szép bitkészlet praktikus kisebb vagy nagyobb csavarokhoz, de minden mást, amire szüksége van, a házhoz és a különféle alkatrészekhez kell biztosítani.

Ha otthona vagy munkaterülete különösen hajlamos a statikus kisülésekre, akkor érdemes egy antisztatikus karkötő . Ez a doohicky csipesz egy fémdarabhoz (például a PC-tokhoz), hogy munka közben elektromosan földelje a kezét, és megvédje alkatrészeit a kisüléstől. Hogy őszinte legyek, nagyon ritkán fordul elő, hogy a statikus sokk valóban károsítja a PC-alkatrészeket, és valószínűleg csak az alaplapjához és a grafikus kártyájához kapott anit-statikus táskák használatával minden rendben lesz. De ha extra óvatosságra vágysz, az nem árthat.

Végül érdemes hozzáadni néhány csészét vagy tálat a konyhájából, csak azért, hogy laza csavarokat tegyen. (Vagy ha van, a mágneses alkatrészek tálca csodálatos.)

Először: Vizsgálja meg az esetét

Először vessen egy pillantást az ügyére. Meg fogja tudni észlelni az alaplapot tartó fő rekeszt, a merevlemezek és SSD-k meghajtóhelyeit, a hátlap nyílásait az alaplap portjaihoz és a bővítőhelyeket a grafikus kártyákhoz, stb. ahol már minden megy - ha nem biztos benne, ellenőrizze a mellékelt kézikönyvet (vagy töltse le telefonjáról a támogatási weboldalról. Távolítsa el mindkét oldalsó panelt, miközben ott van, mert szüksége lesz építkezés közben mindkét oldalról hozzáférés a belsejéhez.

Észreveheti, hogy a PC-tok, amelyet ezeken a képeken használunk, kissé furcsának tűnik. Ez egy Thermaltake P3 ház , szabadtéri akril burkolattal, amelyet az összes alkatrész bemutatására terveztek, és nem igényeltek ventilátorokat. Kifejezetten azért választottuk, hogy ezeken a fényképeken jól láthassa az alkatrészeket, de nincs pontosan ugyanolyan konfigurációval, mint a legtöbb doboz stílusú ház. Képzelje csak el, hogy további öt oldalon falak vannak.

Első lépés: Telepítse a CPU-t

Telepíteni fogjuk a CPU-t és a RAM-ot az alaplapra, mielõtt magát az alaplapot telepítenénk, mert könnyebb, mint telepíteni, ha az alaplap a helyére került. Vegye ki az alaplapot, tegye a doboz tetejére, amelyben bejött, és lesz egy szép kis statikus állapotú tesztpadja ezeknek a lépéseknek a végrehajtására.

A CPU telepítése korábban kissé idegtépő folyamat volt, de sokkal könnyebbé vált, mivel a tervek korszerűsödtek. Csak ne próbáljon megérinteni a chip alján található elektromos érintkezőket, és jól lesz.

A CPU műanyag tokban vagy valamilyen más védőben lesz, amikor kiveszi a dobozából. Tartsa pillanatnyilag bent, és vessen egy pillantást az alaplap CPU foglalatára - ez az a nyitott terület a bal felső sarokban szinte az összes alaplapminta esetében. Kell lennie egy lapnak, amely felfelé és lefelé forgatható a csuklópánton (az Intel táblákon), és egy kart, amelyet a biztonság kedvéért le lehet nyomni és be lehet csíptetni az alaplapba (Intel és AMD lapokon). Szánjon egy percet, hogy megnézze, hogyan működik ez a mechanizmus az adott modellen - ezek kissé eltérnek a processzorok és a gyártók között.

Emelje fel a lemezt, majd vegye ki a CPU-t a protektorából. Nézze meg alaposan a tetejét és az alját (anélkül, hogy hozzáérne az elektromos érintkezőkhöz), és nézze meg, hogyan helyezkednek el az aljzatban. A legtöbb CPU-nak is van egy kis nyíl a sarokban - az alábbi fotón a chip bal alsó részén található. Ez egy hasonló nyílnak felel meg a foglalatban, ezért csak sorba állítsa őket.

Amikor biztos benne, hogy tudja, hogy a CPU milyen módon illeszkedik a foglalatába, finoman csúsztassa be. Képesnek kell lennie arra, hogy elengedje, és egyszerűen leesik az utolsó vagy két milliméterről. Egyenesen kell lennie az aljzat falával. Most dobja le a lemezt, ha van ilyen - ha nem tudja teljesen lenyomni, álljon meg, állítsa le a CPU-t. Térjen vissza a szakasz elejére, és kezdje elölről.

Ha teljesen le tudja engedni a lemezt, nagyszerű. Nyomja le a kart a biztonsági fül alatt. Készen áll a folytatásra.

Második lépés: Telepítse a RAM-ot

Ezután itt az ideje a memóriamodulok telepítésének. Ezt érdemes megtennie a CPU-hűtő telepítése előtt, mivel néhány utángyártott lóg a RAM szélén, megnehezítve vagy lehetetlenné téve őket.

A RAM helyek a hosszú, sekély nyílások, mindkét oldalon klipszel, általában a processzor jobb oldalán az Ön jelenlegi perspektívájából. A kisebb tábláknak csak kettő lehet, a nagyobbaknak és a drágábbaknak akár nyolc is lehet. Négy RAM-ot (DIMM) fogunk behelyezni a buildbe.

Vessen egy pillantást saját DIMM moduljára és a hozzá tartozó nyílásra. Ismét észre kell vennie, hogy csak egy módon illeszkedik - nézze meg az arany érintkezők közepén lévő bevágást, és sorolja fel a résen lévő műanyag dudorral. Ennek működnie kell, függetlenül attól, hogy milyen típusú RAM-ot használ: DDR3, DDR4 vagy valami újabb. Ha valamilyen oknál fogva a RAM nem fér el, akkor valószínűleg nem kompatibilis az alaplappal.

Ha készen áll a RAM telepítésére, hajtsa lefelé a nyílás tetején és alján lévő kapcsokat. Helyezze be a RAM-ot az érintkezés előtt, és nyomja le határozottan. A klipeknek vissza kell pattanniuk a DIMM rögzítéséhez. Nyomja le a RAM tetejét és alját, hogy biztos legyen benne.

Ismételje meg a folyamatot az összes RAM-moduljával. Ha mindegyik nem párhuzamos, nyomja le addig, amíg nem.

Ha kevesebb RAM-modulja van, mint RAM-bővítőhelye, figyeljen arra, hogy melyiket tölti be. Figyelje meg, hogy a fenti képek rései hogyan váltják egymást a színek, a fekete és a szürke között? Ez annak köszönhető, hogy a processzorhoz vezető memóriacsatornákkal működnek. Röviden, CSAK a fekete vagy CSAK a szürke nyílásokat használja, ha nem tölti ki őket - természetesen a színeket helyettesítse azzal, amit az alaplap valóban használ.

Harmadik lépés: Telepítse az alaplapot

Tegye le tokját az asztalra, az előlappal a jobb oldalán. Távolítsa el a tok bejárati ajtaját, és nézzen lefelé. Az a nagy acél- vagy alumíniumlemez az, ahova az alaplapot telepíti, és egyesüléssel a megvásárolt darabok nagy része.

Az első dolog, amit meg kell tennie, az alaplap felszállóinak felhelyezése, kis konzolok, amelyek elválasztják az alaplapot magától a toktól. Az ATX szabványos alaplapunk hatot használ. Ezeket tartalmaznia kell abban a dobozban, amellyel az alaplapod származott, vagy abban a dobozban, amelyhez az esetet mellékelték - ha ez nem egyértelmű a megnézése után, akkor nézze meg gyorsan a kézikönyvet. Képesnek kell lennie arra, hogy az emelőket csak az ujjaival csavarja be a rögzítő furatokba; tovább húzódnak, amikor az alaplapot a helyére csavarja.

MEGJEGYZÉS: Egyes esetekben nincs nagy kivágás az alaplap teteje közelében, mint a fenti képen. Ha utángyártott hűtőt telepít, és a házában nincs ilyen kivágás, akkor telepíteni kívánja a hűtőt előtt az alaplap behelyezése - ugorjon most le erre a szakaszra, majd térjen vissza ide. Az állományhűtők nem igénylik ezt.

Mielőtt maga az alaplapot helyezné a házba, telepítse az I / O lemezt. Ez egy kis alumíniumdarab, amely a ház hátuljába illeszkedik, kivágásokkal az összes portra az alaplap hátulján (balra, ahonnan most néz). Minden eszköz nélkül be kell tudnia csúsztatni, és a helyére kell kattintania, bár ez némi erőt igényel. Szabadtéri tokunknak nincs helye a hátsó I / O lemez számára, így a legtöbbször így néz ki:

Most vegye be az alaplapunkhoz kapott csavarokat, és csavarhúzójával húzza meg őket az emelkedőkbe. Legyen jó és szoros, de ne olyan feszes, hogy megrepedje az áramkört. Ügyeljen arra, hogy minden csavart minden emelőhöz használjon: csak ezek tartják az alaplapot és az ahhoz csatlakoztatott összes alkatrészt.

Ha elkészült, az alaplapja körülbelül egy hüvelykkel a ház váza felett ül a felszállókon.

Győződjön meg arról, hogy az I / O lemez egy síkban illeszkedik a házhoz és az alaplap különböző portjaihoz, ha szükséges, hajlítsa vissza a fémvezetékeket.

Negyedik lépés: Telepítse a tokventilátorokat (ha alkalmazható)

Ezután telepítse a ház ventilátorait a számítógép elülső, hátsó és / vagy oldalán. (Ha az Ön esetében már előre vannak telepítve, akkor ezt a lépést kihagyhatja.) Telepítse őket most, hogy ne kelljen aggódnia az alkatrészek későbbi akadályozásáért. Legtöbbször csak a ventilátorokat csavarja be közvetlenül a tokba, de egyes játékmárkás tokokban caddies vagy szánkó lehet rajongóinak, az egyszerű eltávolítás és tisztítás érdekében. Előfordulhat, hogy az Ön kézikönyvében további információk találhatók.

ÖSSZEFÜGGŐ: Hogyan kezeljük a számítógép ventilátorait az optimális légáramlás és hűtés érdekében

Ne feledje, hogy számít, hová helyezi rajongóit - és melyik irányba néznek szembe. Ha nem biztos abban, hogyan kell beállítani a ventilátorokat a legjobb légáramláshoz, nézze meg ezt az útmutatót .

Ötödik lépés: Telepítse a CPU-hűtőt

Ha a processzorához kapott hűtőt kívánja használni (a legtöbbjükben van ilyen a dobozban), akkor ez egyszerű lesz. A CPU-khoz kapott hűtők tartalmazzák az érintkezőre előre felvitt termikus pasztát, valamint néhány utángyártottat is, ezzel még egyszerűbbé téve a folyamatot. Az utángyártott hűtők változhatnak a könnyűtől az isten-miért-miért nehézig, de végigvezetjük, amit ebben a birodalomban is lehet.

A Stock Intel hűtő

A CPU foglalat mind a négy sarkában négy milliméteres rögzítő furat található. Csak nyomja le a hűtőt és csavarja őket a helyükre - az alap Intel hűtőhöz a csavarok műanyagok és rugókra vannak rögzítve, még szerszámra sem kell.

Az állományhűtőn dugja be a négy műanyag csavart ebbe a lyukba, és fordítsa el a fogantyúkat. Ez az!

Az egyik a hűtő a helyén van és rögzítve van, be kell dugnia a tápkábelt. Az alaplapon található egy kis három vagy négy tűs tápcsatlakozó, nagyon közel a CPU aljzathoz. Dugja be a rövid kábellel a hűtő ventilátorának áramellátásához.

A részvény AMD hűtő (és néhány utángyártott)

Az AMD alaplapok két műanyagdarabbal rendelkeznek a CPU mindkét oldalán, és az AMD alaphűtő ezekre fog kapcsolódni (csakúgy, mint néhány utángyártott). Sorolja fel a hűtőborda négyzet alakú fém kampóit az alaplap műanyag rovataival, majd nyomja le a kart a helyére való rögzítéshez.

Egyes hűtőbordákhoz szükség lehet arra, hogy a karok lenyomása helyett csavarja le a horgokat, de mindegyik valamilyen variációval rögzül ezen a módszeren.

Nagyméretű utángyártott hűtők (Intel és AMD számára egyaránt)

Ha utángyártott hűtőt telepít egy Intel chipre (vagy néhány AMD chipre, a hűtőtől függően), a folyamat lényegesen bonyolultabb. Ez az utolsó típusú hűtő tartalmaz egy hátlapot, és megköveteli, hogy az alaplapon lévő négy rögzítő furattal csavarja be a hűtőt. (Ha AMD kártyát használ, akkor el kell távolítania a műanyag darabokat, hogy hozzáférhessen ezekhez a lyukakhoz.)

A hátlap rögzítéséhez állítsa függőlegesen fel a házat, és távolítsa el a hátsó panelt, hogy hozzáférhessen az alaplap aljához.

Szerelje össze a nagyobb hűtő hátlapját. Erre azért van szükség, mert ezek a hűtők nagyobb méretűek és súlyúak: biztonságosabb lábazattal kell rendelkezniük, hogy elkerüljék az alaplap deformálódását.

A legtöbb utángyártott hűtő külön utasításokkal és alkatrészekkel rendelkezik a különféle Intel és AMD foglalatokhoz; ez megkövetelte, hogy csavarokat tegyek meghatározott fülekre, és állítsam be az LGA 1151-sorozatú CPU foglalathoz.

Ha a hátlap a helyén van, mozgassa körül a tokot, hogy ismét az alaplap „tetejével” nézzen szembe. Szerelje fel a felszállókat a hűtő szerelőlapjáról felfelé érkező csavarokra. Lehet, hogy „át kell ölelnie” a tokot, hogy stabilan tartsa a szerelőlapot, miközben a másik kezével lecsavarja az emelkedőket.

Ha a lemez biztonságosan a helyén van, és a felszállók meg vannak állítva, helyezze le a tokját még egyszer az eredeti munkahelyzetében, az elülső panellel a jobb oldalán. Hagyja eltávolítva a hátsó panelt, ez később időt takarít meg.

Kövesse az utasításokat az adott hűtő felszereléséhez. Esetünkben ez magában foglalta ezen acél konzolok csavarozását, rögzítését anyákkal és a mellékelt csavarkulccsal, majd egy rögzítőcsavar felszerelését magához a hűtőhöz.

Mielőtt a hűtőt a helyére állítaná, a CPU tetejére hőpasztát kell felhordania. Vannak sok különböző vélemény a megfelelő technikáról itt , de a legegyszerűbb és legmegbízhatóbb módszer erre: „csak tegyen egy közepére egy borsó méretű cseppet”.

A paszta a helyén tegye le a hűtőt és rögzítse a rögzítő konzolhoz; modellünkkel azt jelenti, hogy az egyik oldalon be kell vágni, a másikat pedig le kell csavarni.

Végül rögzítse a ventilátort a hűtőbordákra (ez néhány hűtő esetében már meg is történhet).

Ha elkészült, dugja be a ventilátort az alaplapba, ugyanazzal a három vagy négy tűs tápcsatlakozóval, amelyet az állományhűtő használ.

Hatodik lépés: Telepítse a tároló és az optikai meghajtókat

Alapgépünknek csak egy kis SSD-je van tárolásra, de bármilyen típusú tárhelyet is használ, telepítése nagyon egyszerű. Az Ön házának vagy állandó rögzítési helyei lesznek (például a miénk, közvetlenül az oldalán), vagy csúszó kádak, amelyek lehetővé teszik, hogy becsavarja a meghajtót, majd becsúsztassa egy nyílásba az egyszerű eltávolítás és csere érdekében. Vagy a tokjában, vagy magában a meghajtóban csavarokkal kell ellátni a helyét. Ellenőrizze az eset használati utasítását, ha nem azonnal nyilvánvaló, hogy merre kell a tároló meghajtóknak lennie.

SSD meghajtónk egy kis barázdában megy a tok oldalán. Újra függőleges helyzetbe emeltem a tokot, majd behelyeztem és meghúztam hátulról a csavarokat. Könnyű peasy. (A tokban nagyobb zárójelek is találhatók az opcionális 3,5 hüvelykes merevlemezek számára, amelyeket nem használunk.)

Miután a tároló meghajtó a helyén van, csatlakoztassa a SATA adatkábelt mindkét meghajtó SATA portjához. A kábel csak egyetlen módon fér el, és ugyanaz a kapcsolat mindkét oldalon.

Ezután csatlakoztassa ugyanazt a kábelt az alaplap SATA portjához. Ismételje meg ezt a folyamatot annyi SSD-re vagy merevlemezre, amennyit használni kíván.

A DVD-meghajtó telepítése, ha van ilyen, szintén elég egyszerű. Olcsóbb, egyszerűbb esetekben csak csúsztassa a helyére az elülső nagy 5,25 hüvelykes rekeszben, és csavarja le a mellékelt csavarokkal. A bonyolultabb eseteknek csak egy lépése van: csavarja be a futókat a meghajtó oldalán, majd csúsztassa a helyére a meghajtót. Az SSD-k és a merevlemezek caddieihez hasonlóan ez is megkönnyíti a meghajtó cseréjét.

Mindkét esetben dugja be a SATA adatkábelt a meghajtóba és az alaplapba, akárcsak a merevlemezhez, és készen áll az indulásra.

Hetedik lépés: A grafikus kártya (és egyéb PCI-e tartozékok) telepítése

Ha játékhoz külön grafikus kártyát használ, akkor azt most telepítenie kell. PCI-Express (rövidítve PCI-e, PCIe vagy néha csak PCI) nyílást használ, amely a tok külsejére nyílik a bővítőportok számára, és szinte mindig megtalálható az alaplap CPU foglalata alatt.

ÖSSZEFÜGGŐ: Miért különböznek az alaplapom PCI Express portjai? x16, x8, x4 és x1 megmagyarázva

Először határozza meg, hogy melyik PCI-e port használja az x16 sebességsávokat. PCIEX1_16 vagy hasonló megnevezéssel kell rendelkeznie: ez lesz a processzorhoz legközelebb eső és a leghosszabb (vagy a leghosszabbra kötött) slot. Ha ez a dolog zavaró, nézze meg ez a cikk a megfelelő PCI-E kiegészítők megfelelő nyílásokban történő használatáról .

Most távolítsa el az adott nyílás (vagy nyílások, ha a kártyája elég nagy ahhoz, hogy kettőt el kell távolítani) hátsó fedelét. Ezek a kis fém vagy műanyag darabok csak azért vannak, hogy megvédjék a számítógép belsejét a nem használt PCI-E bővítőhelyekért. Most engedje le a nyílás végén található műanyag fület - ez nagyon úgy működik, mint a RAM modulok, de csak az egyik oldala. Csúsztassa be a grafikus kártyát, kezdve a ház külsejéhez legközelebb eső oldallal. Nyomja határozottan lefelé, amíg a fül a helyére nem pattan.

Ezután tegye vissza a hüvelykujj csavarokat oda, ahonnan jöttek, és rögzítse a kártyát a helyén.

Nyolcadik lépés: Helyezze be a tápegységet

Itt jársz a végéhez. Csúsztassa a tápegységet a helyére vagy tartójába. A háromágú tápkábelt (amely a falhoz csatlakozik) elfogadó résznek egy síkban kell lennie a ház hátsó részével, és kívülről hozzáférhetőnek kell lennie.

A házának kialakításától függően érdemes úgy felszerelni, hogy a ventilátor felfelé vagy lefelé nézzen. A legtöbben szeretik, ha a ventilátorok a házon kívülre néznek (ventilátor felfelé, ha az áramellátás a ház tetején van, ventilátor le, ha alul van), mivel ez lehetővé teszi, hogy az áramellátás hűvösebb levegőt szívjon be. De hogy őszinte legyek, nem jelent hatalmas különbséget - az áramellátás nem fog túlmelegedni, hacsak nem a számítógépéhez elégségeset választ. Ha más módon könnyebb hozzáférni az alkatrészekhez, az rendben van, amennyiben van egy kis hézag a ventilátor és a legközelebbi nem hálós felület között.

Különböző esetekben különböző helyek vannak az áramellátás biztosításához, de általában legalább négy csavart fog használni. Előfordulhat, hogy a ház külsején lévő furatokon keresztül a helyére kell csavaroznia.

Amikor az áramellátás szilárdan a helyén van, itt az ideje, hogy csatlakoztassa az összes olyan alkatrészhez, amelyhez áramellátás szükséges. Ne feledje, hogy a kábeleket többé-kevésbé bármilyen lyukon keresztül vezetheti, és az a legjobb, ha a tok hátulját használja, hogy megakadályozza a dolgok összekuszálódását vagy a rajongók megakadását.

A legnagyobbtól a legkisebbig:

  • Alaplap : 24 tűs kábel (néha több). Ez általában az alaplap jobb oldalán van, rögzített helyzetben. nézd meg a csapok körüli műanyag öntvény mintázatát: csak egy módon illeszkedik.

  • processzor : 4, 6 vagy 8 tűs kábel (néha több). Ez a port az alaplapon is található, de valahol a CPU foglalat közelében található, gyakran a bal felső sarokban. Ismét csak egyetlen módon lehet ezt csatlakoztatni.

  • Tároló meghajtók és DVD meghajtók : SATA tápkábelek (L alakú csatlakozókkal). A legtöbb modern tápegység tartalmaz legalább egy SATA tápkábelt, gyakran több meghajtó aljzatával, amelyeket egyszerre használhat.

  • Grafikus kártya : 6, 8, 12 vagy 14 tűs kábel, attól függően, hogy milyen erős a kártya. (A miénk alacsony fogyasztású modell, amely teljes elektromos energiáját az alaplapról szerzi be, és nincs szüksége közvetlen kapcsolatra az áramellátással). Nagyon nagy teljesítményű kártyák esetén előfordulhat, hogy több tápkábelt kell használnia a megosztott csatlakozáshoz, de megint minden egyes kábelnek csak egyféleképpen kell lennie.

  • Tok ventilátorok, hűtők és radiátorok : Csatlakoztassa a hűtőberendezést az áramellátáshoz, amire csak szüksége van. Egyes négytűs csatlakozóval rendelkező ventilátorok közvetlenül az alaplapra csatlakozhatnak, másokat azonban egy tápsínhez kell csatlakoztatni. Szüksége lehet molex adapterekre vagy SATA adapterekre, ha kettőnél vagy háromnál több ventilátora van, de általában a tápegység elegendő extra kábellel rendelkezik a legtöbb alapvető építkezéshez.

Bármi mást, amelyet valószínűleg telepít, képesnek kell lennie arra, hogy az áramot közvetlenül az alaplaphoz való kapcsolódásból merítse.

Kilencedik lépés: Csatlakoztassa a tokvezérlőket, az audio és az USB kábeleket

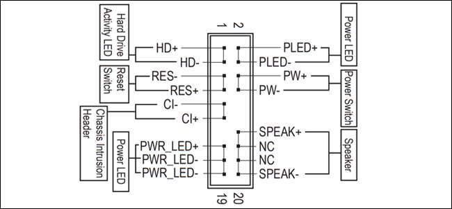
Az utolsó dolog, amit csatlakoztatnia kell, a tokjának kábelei - ezek a tápellátás és a visszaállítás gombokat, az elülső fejhallgató- és mikrofoncsatlakozókat, valamint a ház elején található bármely USB-portot csatlakoztatják az alaplaphoz.

A bekapcsológombok és a lámpák itt a legbonyolultabbak, mert valóban apró elektromos kábelekről van szó, amelyeket az alaplap I / O panelének nagyon specifikus tűihez kell csatlakoztatniuk. Ez a panel általában a tábla jobb alsó sarkában található. A tok elrendezésétől függően mindenképpen rendelkeznie kell egy két tűs tápkábellel, egy két tűs kábellel a számítógép bekapcsolt állapotát jelző lámpához, esetleg egy két tűs visszaállítási kábellel és egy két tűs " HD ”,„ IDE LED ”vagy„ Drive ”kábel (az a kis fény, amely villog, amikor a számítógép hozzáfér a tároló meghajtójához). Ezek egy része vagy mindegyik pozitív és negatív csatlakozókra bontható.

Ez az alaplapunkon található I / O panel csatlakozási rajza, a kézikönyvből. A tied más lesz.

Ezek frusztrálttá válnak, mert aprók és nehezen olvashatók. A legjobb, ha kibontja az alaplap kézikönyvét, és konkrét utasításokat keres az I / O panelen. Alaplapunk egy praktikus kis műanyagdarabbal volt ellátva, amelyet előzetesen felcímkéztek, és esetünkön magán a kábelen szép fényes fehér címkék vannak, ami az egész folyamatot elég nyilvánvalóvá teszi. Ellenőrizze még egyszer ezeket a csatlakozásokat az alaplap kézikönyvében, ha nem biztos benne: a bekapcsológombnak legalább megfelelőnek kell lennie, ha azt szeretné, hogy a számítógépe bekapcsoljon!

Az USB- és audiokapcsolatok nyilvánvalóbbak: az alaplap meghatározott aljzataiba fognak csatlakozni, amelyeket általában ilyennek jelölnek. A mi esetünkben van egy az USB 2.0 portokhoz, egy másik és egy hasonló megjelenésű audio csatlakozókhoz, amelyek mind az alaplap aljára csatlakoznak.

Az USB 3.0 aljzatok nagyobb műanyag kábele az oldalon található. Ismételten, ha nem találja az alaplap speciális csatlakozóit, olvassa el a kézikönyvet - annak tartalmaznia kell egy diagramot az egész kártya részeiről vagy a ház elülső gombjainak és bemeneteinek csatlakozásainak konkrét helyéről.

Csomagolja be az egészet!

Már majdnem kész. Mielőtt bezárná a tokját, ellenőrizze még egyszer, hogy egyik táp- vagy adatkábel sincs-e túl közel az egyik házhoz vagy a hűtőventilátorhoz, és hogy minden szilárdan a helyén van-e és le van-e zárva. Jól néz ki? Ezután tegye rá az első és hátsó burkolatot, és rögzítse a helyén a hüvelykujj csavarokkal.

Az alaplap mögötti területet elrejtheti a felesleges kábelhosszak elől, megakadályozva, hogy összekuszálódjanak vagy megérintsék a ház ventilátorait.

Csatlakoztassa a tápkábelt a tápegységhez, majd a monitort, a billentyűzetet és az egeret. Nyomja meg a főkapcsolót. Ha látja az áramellátás jelzőfényét a házon, hallja a ház ventilátorait és az alaplap logóját (POST képernyő néven ismert), akkor készen áll az operációs rendszer telepítésére. Gratulálunk, sikeresen összeállította számítógépét!

Ha valamilyen oknál fogva nem jött be az áramellátás, húzza ki a számítógépet és a tartozékokat, majd ellenőrizze ismét a következő általános problémákat:

  • A tápfeszültség kapcsolója megfelelő helyzetben volt? Ez a kapcsoló elérhető a ház külsejéből; az „én” legyen lent, az „O” pedig felfelé.
  • Csatlakoztatta a tápkábelt a tápegységről az alaplap CPU-aljzatába? Ez az áramellátástól az alaplapig tartó két kábel közül a kisebb, általában valahol a kártya tetején lévő CPU-aljzat közelében.
  • Az összes RAM-memória rögzítve van-e a helyén, a műanyag kapcsokkal?
  • Az áramellátáshoz a CPU hűtő csatlakozik az alaplaphoz
  • Ha grafikus kártyát használ, akkor az alaplapi video-out port helyett csatlakoztatta a monitor kábelét a kártyához?
  • Ha grafikus kártyát használ, akkor szilárdan dugta be az alaplap PCI-E nyílásába, a műanyag kapcsot leszorítva? Megfelelő tápkábelt használt-e az áramellátáshoz (ha szüksége van rá)?
  • Az alaplap I / O panelének megfelelő csapjaiban volt a tok bekapcsolókábele?

Miután a rendszere megfelelő POST-okat küldött, ideje elkészíteni a BIOS-t és telepíteni az operációs rendszert. Folytassa a következő cikkel további információért.

Vagy ha az útmutató másik részéhez szeretne ugrani, akkor itt van az egész:

  • Új számítógép építése, első rész: Hardver kiválasztása
  • Új számítógép építése, második rész: összerakás
  • Új számítógép építése, harmadik rész: A BIOS előkészítése
  • Új számítógép építése, negyedik rész: Windows telepítése és illesztőprogramok betöltése
  • Új számítógép építése, ötödik rész: Az új számítógép módosítása
.entry-tartalom .entry-footer

How To Build A Computer

Newegg TV: How To Build A Computer - Part 2 - The Build

How To Build A Server Computer: Part1 Installing The Motherboard

How To Build Assemble A Computer Step By Step

Building A Custom PC - Putting The Parts Together

How To Make A Cluster Computer (Part 1)

Build Your Own Computer PC - Step By Step Tutorial 2011

How To Build A Gaming PC In 2019! Part 2 - THE BUILD


Hardver - Most Popular Articles

Mennyi áramot használ az Amazon Echo?

Hardver Apr 11, 2025

Az Alexa szuper hasznos lehet az Echo mindig figyelő képességeinek köszönhetően, amelyek egy pillanatra készen állnak a cselekvésre. De mennyibe kerül Önnek ez a kényele..


Hogyan lehet visszaállítani a Synology NAS-t

Hardver Mar 9, 2025

Ha a Synology NAS meghajtója problémákat okoz Önnek, vagy éppen egy teljesen új rendszerre frissít, akkor néhány módon visszaállíthatja, attól függően, hogy mit szere..


Hogyan (és miért) cserélje le a konnektorokat GFCI konnektorokra

Hardver Oct 31, 2025

Nagyjából minden házban, ahol az aljzat közel van a vízforráshoz, általában megtalálható az úgynevezett testzavaros megszakító (GFCI). Ez egy olyan típusú aljzat, ame..


A legnagyobb tervezési hibák az Apple által az elmúlt két évben

Hardver Oct 28, 2025

BETŰTELEN TARTALOM Az Apple elvesztette mojo-ját. Megszállott figyelmük a részletekre mintha elcsúszott volna. Amikor az Apple újjáéledt és mindenki otthonába,..


Hogyan lehet visszacsatolni egy Android okostelefont vagy táblagépet a számítógéphez

Hardver Jul 11, 2025

BETŰTELEN TARTALOM Jellemzően emberek póráz laptopjaikat androidos telefonjukra, a telefon adatkapcsolatával bárhonnan online kapcsolatba léphetnek. De érde..


Mit jelentenek a fényképezőgép lencséjén lévő összes betű, betűszó és szám?

Hardver Aug 29, 2025

BETŰTELEN TARTALOM A fényképezőgép lencséjének gyors pillantása betűk, számok és betűszavak dzsungelét tárja fel. Pontosan mit jelentenek mind, és hogyan lehet a k�..


Hogyan játszhatunk Retro NES és SNES játékokat a Nintendo Wii készüléken

Hardver Jul 5, 2025

Ha a tegnapi klasszikus címeket szeretné átélni a mai konzolján, a Nintendo Wii tökéletes platformot kínál a régebbi Nintendo Entertainment System és Super Nintendo Enter..


Geek vélemények: Figyelje és összehasonlítsa számítógépét a PC varázslóval

Hardver May 27, 2025

BETŰTELEN TARTALOM Korábban írtunk arról, hogyan kell kitalálni milyen típusú memóriát telepített a számítógép a nagyszerű System Information for Windows segé..


Kategóriák